• MPA 116 Három orsós fúrófej, körkörös kialakítás

MPA 116 Három orsós fúrófej, körkörös kialakítás

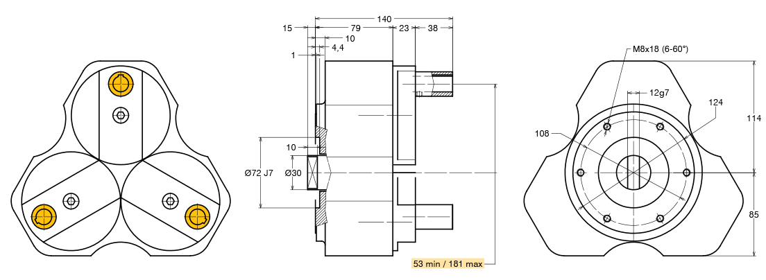
A fúrófej műszaki adatai:

Típus 116
Cikkszám A*111216.100
Patron foglalat DIN 55058 Ø16
Maximális furatátmérő Ø16
Maximális menetkapacitás M12
Hajtásviszony 1:1
Maximális fordulatszám 2500 1/min
Főorsó teljesítmény 1,1 kW
Maximális tengelyirányú terhelés 1135 N
Súly 9,2 kg
Kenés Klüber Isoflex NBU 15

A három orsós fúrófej tartozékai:

Megnevezés Cikkszám
Tollbilincs A*410108.000
Behajtó tengely  
Összekötőelem  

Értékeld

Megjegyzés: HTML formázás nem lehetséges!
    Rossz           Jó

MPA 116 Három orsós fúrófej, körkörös kialakítás

  • Gyártó: MPA
  • Cikkszám: A*111216.100
  • Elérhetőség: Megrendelést követően 1 hét

Címkék: 3 orsós fúrófejek Δ