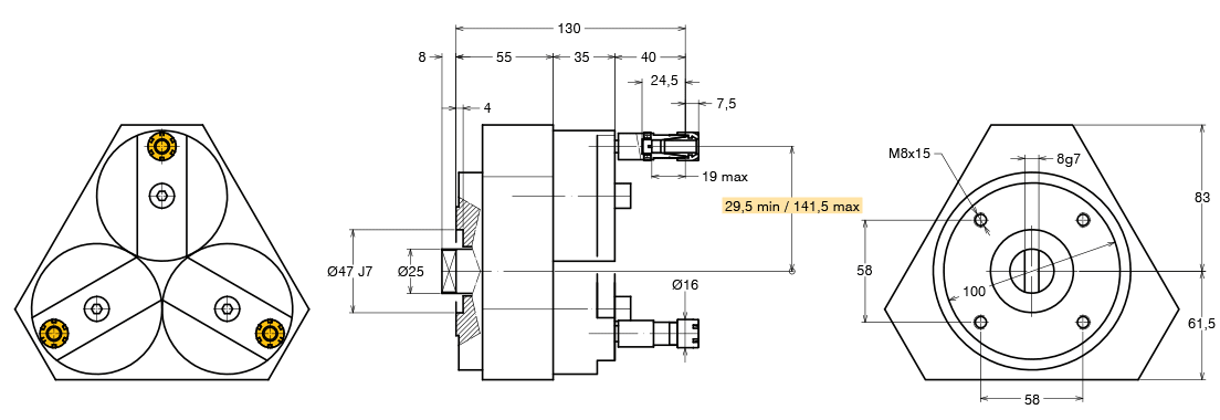
MPA 803 Három orsós fúrófej, körkörös kialakítás
A fúrófej műszaki adatai:
| Típus | 803 |
| Cikkszám | A*111803.100 |
| Patron foglalat | ER 11 |
| Maximális furatátmérő | Ø7 |
| Maximális menetkapacitás | M6 |
| Hajtásviszony | 1:1 |
| Maximális fordulatszám | 3000 1/min |
| Főorsó teljesítmény | 0,34 kW |
| Maximális tengelyirányú terhelés | 490 N |
| Súly | 4 kg |
| Kenés | Klüber Isoflex NBU 15 |

A három orsós fúrófej tartozékai:
| Megnevezés | Cikkszám |
| ER 20 Patron a DIN 6499/B szabvány szerint | A*411211.100 |
| Tollbilincs | A*410106.000 |
| Behajtó tengely | |
| Összekötőelem | |
| Rögzítő kulcs | A*410211.000 |
MPA 803 Három orsós fúrófej, körkörös kialakítás
- Gyártó: MPA
- Cikkszám: A*111803.100
- Elérhetőség: Megrendelést követően 1 hét
Címkék: 3 orsós fúrófejek Δ

