Gyors szorítású és állíthatóságú forgó tokmány VERTEX VSI-5
A gyors szorítású forgó tokmány rövid leírása:
- 3 pofás önközpontosító tokmánnyal ellátva
- Egyszerű és gyors üzemeltetés
- Osztó szám 24- osztás 15 fokonként
- 1° osztásonként a szögbeállításhoz
- 30 mm központfurat
- Horizontális / vertikális és 2 irányú
- Alkalmas maró és fúrógépekhez
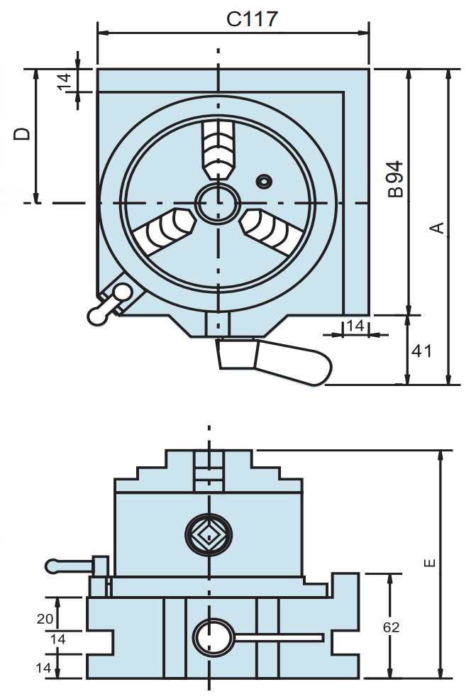
A készülék technikai adatai:
| Típus | ||
| Cikkszám | V*3K16.2.11 | V*3K16.2.12 |
| A | 187 | 202 |
| B | 146 | 161 |
| C | 146 | 161 |
| D | 80 | 87 |
| E | 135 | 142 |
| Átmenő furat | Ø30 | Ø30 |
| Súly (kg) | 11 | 15 |

Gyors szorítású és állíthatóságú forgó tokmány VERTEX VSI-5
- Gyártó: VERTEX
- Cikkszám: V*3K16.2.12
- Elérhetőség: Megrendelést követően 1 hét
-
323 294,- Ft
- Nettó: 254 562,- Ft
Kapcsolódó termékek
Szegnyereg VERTEX TS-1
Szegnyereg VERTEX TS-1 A szegnyereg technikai adatai: Típus TS-1 TS-2 TS-3 TS..
57 864,- Ft Nettó: 45 562,- Ft


