• Osztókészülék VERTEX CS-6

Osztókészülék VERTEX CS-6

Az osztókészülék rövid leírása:

  • Szögelfordulás a kézi kerék egy fordulatára 4°
  • Az osztások felbontása CS-6 esetén 2' CS-8 esetén 1'
  • Nóniusz skála leolvasás CS-6 esetén 20" CS-8 esetén 10"
  • Áttétel 1:90
  • A csomaggal együtt szállított tartozékok: Tokmány, tokmány rögzítő tárcsa, 6db maszkoló tárcsa

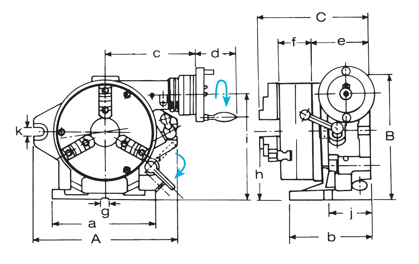
Az osztókészülék technikai adatai:

Típus
Cikkszám V*3K13.4.01 V*3K13.4.02
A 250 310
B 235 285
C 221 243
a 220 225
b 150 160
c 184 201
d 82 82
e 112 125
f 66 75
g 16 16
h 123 155
i 186 232
j 80 96
k 18 18
Súly (kg) 44 80

Értékeld

Megjegyzés: HTML formázás nem lehetséges!
    Rossz           Jó

Osztókészülék VERTEX CS-6

  • Gyártó: VERTEX
  • Cikkszám: V*3K13.4.01
  • Elérhetőség: Megrendelést követően 1 hét
  • 549 440,- Ft

  • Nettó: 432 630,- Ft

Kapcsolódó termékek

Szegnyereg VERTEX TS-2

Szegnyereg VERTEX TS-2

Szegnyereg VERTEX TS-2 A szegnyereg technikai adatai: Típus TS-1 TS-2 TS-3 TS..

92 901,- Ft Nettó: 73 150,- Ft